Намерете подходящи резервни части или аксесоари за вашите продукти Einhell.
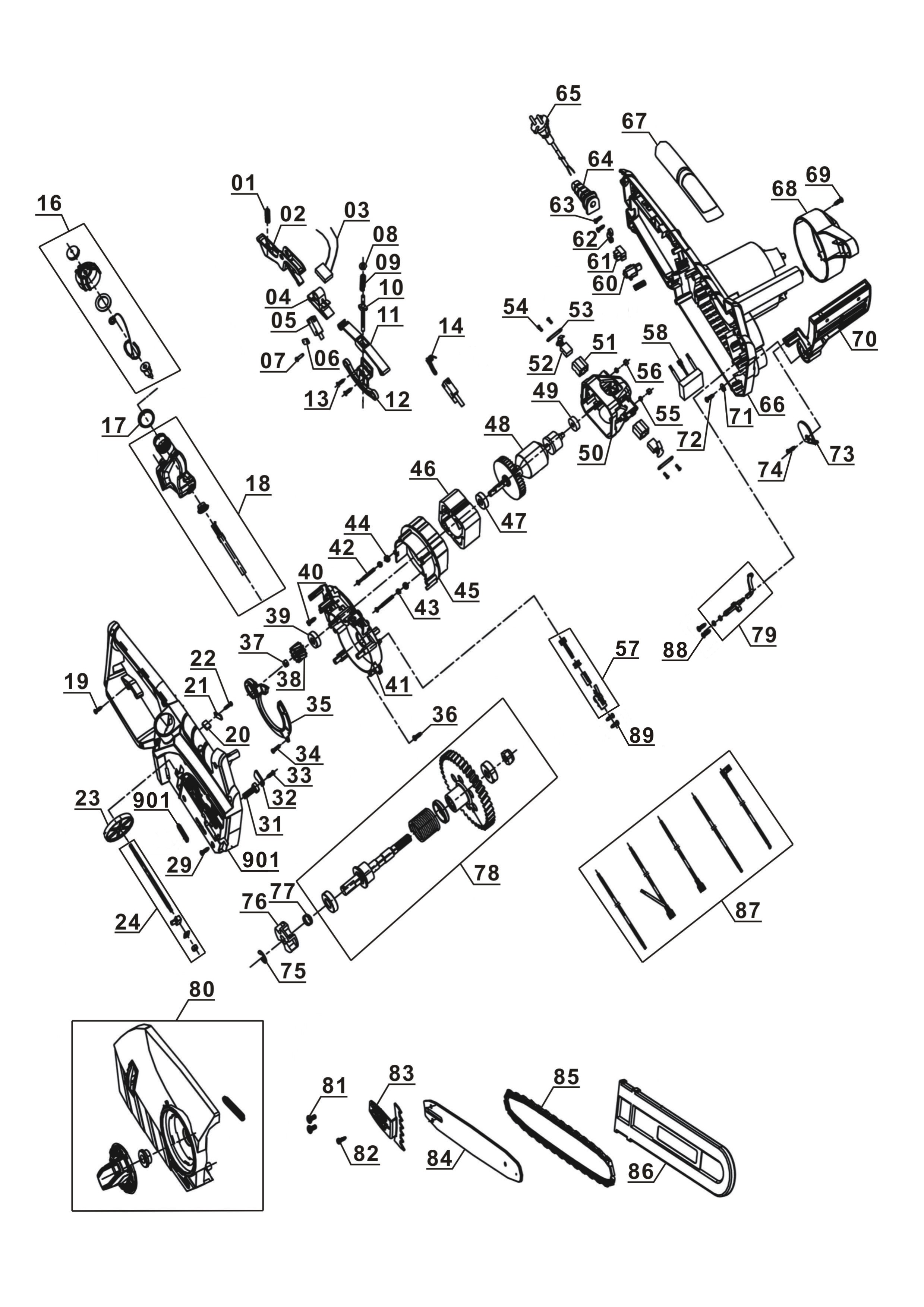
Елeктрическият верижен трион трион GE-EC 2240 е удобен, ефективен инструмент и практичен помощник за рязане на дърва за огрев, за прореждане на шубрак, за изсичане на малки дървета и за много други дейности. Качествената релса и верига от OREGON осигуряват добри резултати при рязане. Веригата може да бъде опъната и сменяна без инструменти. Защитата от откат с внезапна механична спирачка на веригата осигурява висока безопасност по време на работа. За оптимално предаване на мощност и дълъг експлоатационен живот, GE-EC 2240 има висококачествена, здрава метална предавка. Този трион се предлага с автоматична система за смазване на вериги, чийто резервоар има голям отвор, което улеснява пълненето с масло. Благодарение на ергономичната дръжка трионът лежи перфектно в ръката, докато мекият старт позволява стартирането му с комфорт. За безопасност в случай, че веригата отскочи от релсата, има болт за захващане. Здрави ограничители, изработени от метал, гарантират безопасно боравене, а също така служат като точка на въртене при рязане на хоризонтални стволове.
Технически подробности
Свързани изтегляния
Подходящи аксесоари за GE-EC 2240
Производствена информация
Einhell Germany AG
Wiesenweg 22
94405 Landau/Isar
Германия
[email protected]
Открийте нашите безплатни гаранционни услуги за вашите продукти или батерии Einhell.
Отзиви на клиенти
Einhell не гарантира - с изключение на случаите на "Проверена покупка" - че публикуваните отзиви идват от потребители, които действително са използвали или закупили продуктите.
